The introductory chapters of this book described the various differences between the model A and B versions of the BBC Microcomputer. In this chapter the upgrades which can be added to the model A machine are described along with the following expansions which may also be added to either machine.
The function performed by each of the upgrades will be explained and then full details on how to install and test each one will be given.
The model B Microcomputer consists of the model A version with additional memory, RS423 serial interface, sideways ROM selection capability, a four channel analogue-to-digital converter full 1 MHz bus handling, a user VIA (versatile Interface Adapter), and a parallel printer port. The connectors necessary to make use of these additional facilities and also the RGB video output are also fitted to the model B machine as standard.
The majority of the upgrades can be added independently of each other and this enables the user to add only those which are immediately required, the remaining upgrades can be added as and when it becomes necessary.
A number of early issue main PCB's (mainly 1 and 2 will need to be modified in order to rectify production errors. These corrections and modifications will be covered in chapter 6, it is important to read this chapter before carrying out any expansions or upgrades.
To begin with, each stage of the model A to Model B upgrade will be detailed. Before going on to cover each of these additions, however, it is wise to consider the possible implications of making your own modifications and upgrades to a machine. If you do carry out your own upgrading then you will probably invalidate the manufacturers guarantee. If you are in any doubt then consult your local Acorn dealer.
In any event some of the modifications will require a fairly high standard of soldering and should not, therefore, be attempted by anyone who is not, at the least, reasonably proficient.
Chapter 2 contains information and hints on how to go about learning to solder and what tools you are likely to need. It is strongly recommended that the novice should read this section carefully. This chapter also covers anti-static precautions and this too should be fully understood before attempting to carry out any upgrades or modifications.
It is a very good idea at this stage to remove the main PCB and keyboard PCB from the case and then to reassemble and test the machine without performing any modifications at all. This may seem a little ridiculous at first thought but in fact it may show up any defects in either or both of the PCB's. There have been incidences of PCB's being found with fine hairline cracks in the copper track and when disturbed or flexed this caused the machines to become faulty or inoperable. It is far better to find this out at this stage since the guarantee will not be invalidated and the machine may be returned.
Some of the upgrades which are to be described will involve insertion of integrated circuits into the sockets provided This is a little more difficult than might be imagined and the following paragraphs describes the procedure for inserting these devices correctly.
When dual-in-line (DIL) integrated circuits are manufactured the pins on the devices are deliberately splayed out (this can be seen by looking at an IC end on). The reason for this is that it enables the automatic IC insertion machines that are used in the mass production of electronic circuit boards to easily insert the IC's into their sockets.
There are a number of commercially available tools which can bE used ~o insert these devices by hand, however, these tools arc generally for use with the smaller (14 to 20 pin) type of IC. If available these tools should be used but failing this the task can easily be accomplished by gently bending the pins of the IC inwards so that they become almost square with the body.
This is best achieved using a pair of fine long nosed pliers to grip all of the pins down each side of the IC and then very carefully bending them slightly inwards. Be sure not to use pliers with an integral wire cutting edge as you will probably damage or cut off some of the pins.
It is important to make sure that the IC is the correct way round, that is to say that the pin 1 end of the IC should be pointing to the NORTH (in the case of a NORTH/SOUTH facing IC). If in doubt, all of the NORTH/SOUTH orientated ICs are the same way round so simply compare it with another NORTH/SOUTH IC. The pin 1 end can be identified either by a notch moulded into the body or by a small dot adjacent to pin 1.
The shadow diagram (fig 4.1) and also the photographs at the
end of this section show the relationship between the cardinal
points of the compass and the main PCB.
Once this has been done the IC can be placed over the socket to
check that the pins are approximately in line with the socket
holes. In practise the pins should be just a little wider apart
than the socket holes, this will ensure that a more positive
contact is made.
Place all of the pins down one side of the IC into the socket and carefully lower the other side in to place making sure that each pin fits in to its corresponding socket hole. Apply firm but even pressure along each side of the IC until you feel it locate positively into place.
You should now visually check each individual pin to make sure that it has not been bent and that each one is correctly fitted into its socket contact.
If one or more of the pins has been bent the chip must be removed by gently prising up one end just a little way. The other end can then be prised up a little and eventually by repeating this procedure alternately at each end, the device can easily be removed. Take care, this process is not quite as simple as it sounds. Most people damage ICs when removing rather than installing them.
Before the IC can be reinstalled the offending pins must be straightened using a pair of fine flat-nosed pliers. This process is again not as easy as it may sound but you should have no problem if you take your time and do not bend the pins excessively. Take great care when reinstalling the IC not to let the same pins become bent again, if they have to be straightened more than a couple of times they are liable to break off.
The model A machine is not fitted with the full complement of plugs and sockets which a full model B specification machine will require. Table 5.1 details each connector, which will be required, together with suitable sources of supply. Please note that a list of supplier codes and their addresses are given at the front of this book.
| Identification | Type | Supplier Code |
| SK3 | 6 pin 270 deg. PCB mounting DIN socket (RGB output) | |
| SK4 | 5 pin "domino" PCB mounting DIN socket (RS423 interface) | |
| SK6 | 15 pin PCB mounting "0" type socket (analogue in). | W. & T. re RS Wa no |
| PL8 | PLB 34 way male PCB mounting header, right-angle solder tails with latches (floppy disc). | W. & T, F.E.C. |
| PL9 | 26 way wale P68 mounting IDC header, right angle solder tails with latches (printer port) | F.E.C. |
| PL10 | 25 way male P68 mounting IDC header, right-angle solder tails with latches (user I/O). | W. & T,POE F.E.C, |
| PL11 | 34 way male PCB mounting IDC header, right angle
solder tails with latches (1 MHz extension bus). |
W. & T, F.E.C. |
| PL12 | 40 way male PCB mounting IDC header, right angle solder tails with latches (Acorn Tube) | W. & T, F.E.C. |
TABLE 5.1
Although the additional connectors are the most expensive part of the upgrade it is recommended that all of the plug and sockets be installed at the same time. This will reduce the number of occasions that the PCB's have to be removed from the case and hence minimise the risk or damage. The upgrade installation procedures given below assume that this is the case.
Begin by removing the keyboard PCB from the case followed by the main PCB. Both of these procedures are described in detail in the chapter entitled Link Functions.
Once the main PCB has been removed from the case, place it on a suitable working surface and carefully remove the beat sink from IC6 (video ULA), taking care to retain the zinc oxide heat sink paste that is used on it.
At this point it should be mentioned that on some of the early model A machines you may find that the holes for the additional connectors may either be filled with solder or a wax like substance. This wax like substance 1.5 solidified flux residues left over from the flow soldering process and can easily be removed prior to soldering by passing the lead of a 1/4 or 1/2 watt resistor through each hole in turn taking great care. Do not under any circumstances try to pass anything through these holes which is of a larger diameter than this resistor wire. If you do you may damage the through hole plating and render your machine inoperable. The golden rule is never to use a lot of force to pass anything through these holes. If a hole is blocked with solder then this can be removed using a desolder pump as described in chapter 2.
Install SK3 the RGB socket first, the position of which can be seen from the photographs at the end of this chapter. Carefully insert the pins of the socket through the holes provided in the PCB having first made sure that each of the pins is not bent and correctly aligned.
Now, whilst holding the socket in place with your finger, turn the PCB over so that the solder side is uppermost. Rest the PCB on the working surface such that the socket is held firmly seated in place. It is important to ensure that the socket is firmly seated down on to the component side of the PCB before soldering.
The two metal earth tabs should be soldered first of all. Once this is done turn the board over to confirm that the socket was well seated. Assuming this to be the case, the remaining pins can now be soldered.
If the socket was not seated firmly then the solder on the two earth pins can be re-melted and whilst the solder is molten, the socket can be pushed down into place. Try to make sure that this does not happen because it could result in damage to the copper track. In any event never hold the soldering iron in place for longer than a few seconds, as the copper track can lift away from the fibreglass base if excessive heat is applied.
The next socket to mount is SK4, the RS423 socket. This socket is situated next to SK3 and the exact same procedure applies to mounting this socket as did to SK3. Be sure to interlock the square plastic face of this socket correctly between those of SK3 and SK5 the cassette socket - already fitted)
The next socket to fit is SK6, which is a 15 way "D" type socket (PCB mounting). This socket is more difficult to fit than SK3 or SK4 and requires a little patience to align each of the 15 pins above its corresponding hole in the PCB. The simplest way of doing this is to carefully bend any pins that appear to be out of line back in to position. This is best achieved by looking at the pins sideways on and checking that each pin in each row is in line with the next. A pair of fine nosed pliers is invaluable for performing this task.
Once the socket has been mounted on to the main PCB it must be held firmly seated in position before commencing soldering. This is easily done by bolting the socket in place using two 4BA nuts and bolts through the holes provided. Be very careful to ensure that neither the heads of the bolts (which should be on the underside of the board) nor the nuts, are allowed to touch any copper tracks. On boards up to the present issue (issue 4) this should not be a problem but on future issues it may well be. If possible, nylon nuts and bolts should be used.
With the socket held securely in place it can now be soldered. The pins are reasonably close together but nevertheless soldering should not present too much difficulty. As always, care should be taken not to overheat the PCB. It can help with sockets of this type to alternate soldering between each end of the socket in order to allow the area surrounding a soldered pin to cool slightly before soldering the adjacent pin.
The remaining 5 plugs to be mounted are those directly below the keyboard, PL8 to PL12. These are the most difficult to solder due to the fact that the pins are close together and it is easy to form a solder bridge between adjacent pins. This should not normally occur if you are sufficiently practised. If this does occur refer to chapter 2 for information on how to remove the bridge.
The user port plug (PL10) is the smallest of these connectors and is, therefore, the easiest one to begin with. As with the analogue in" 'D" type socket, make sure that the pins are all straight and align with the holes in the PCB. Mount the pins on to the main PCB ready for soldering.
Unfortunately, no proper Fixing holes are provided to secure PL8 to PL12 to the main PCB (at least up to issue 4) and they are, therefore, held in place simply by their solder tails. In order to hold the plugs in place ready for soldering a spring loaded clothes peg has been found to be an invaluable aid. This can be clipped over both the plug and the main PCB and will hold it in place quite satisfactorily. If a clothes peg is not available than a little ingenuity will be required.
As always, once the plug is held in place solder one of the end-pins and then check to see that the plug was indeed firmly seated, if so then the remaining pins can be soldered. It is strongly advisable to solder pins at each end alternately so as to minimise local heat build up.
The remaining plugs (PL8,9,11,12) can now be soldered in the same way as PL10.
Provided that no more modifications that requite soldering are to be carried out then the only thing that now remains is to remove the flux residue that will have been left behind by the soldering process. This is not absolutely essential but it is strongly recommended, it is probably the one thing that distinguishes the professional from the experienced amateur in this type of work. Chapter 2 explains the techniques involved in soldering and de-fluxing.
Once installation of the plugs and sockets has been completed the machine can then be reassembled as described in chapter 2.
In order to perform this upgrade you will require the following components;
1 off 74LS244 (generics part number) for IC70.
1 off 6522 (generic part number) for IC69.
PL9 & PL10 (see table 5.1).
It is assumed that PL9 and PL10 have been installed, as described above.
Both the 6522 and the 74LS244 are in fact called generic part numbers (as is the case with many ICs) and in reality the number which is printed on the chip will generally be proceeded by one or two letters. These letters differ between manufacturers, the 6522 may typically read SY6522 or R6522P these devices are manufactured by Synertek and Rockwell respectively, and they are, however, the same devices. The 74LS244 may be preceded by many different letters because this device is produced by many different manufacturers. If you are in any doubt, specify that you require the correct devices for use in the printer and user ports of the BBC Microcomputer when ordering. Both Watford Electronics and Technomatic Ltd can supply a complete kit for this, and indeed any other upgrade.
The user Versatile Interface Adapter (VIA) upgrade will need to be installed in the machine in order to run many of the commercially available games programs. In fact, many of these games only make use of the internal timers within the 6522 VIA. Both IC69 and IC70 will need to be present in order to use the parallel printer port, IC70 need not be present to use the user port.
It should be mentioned at this point that some early issue boards had some PCB errors associated with the printer port and it is advisable to check your board before proceeding. Chapter 6 gives information on how to find out if your particular PCB has any errors and details are also given on the modifications that will be required to rectify these errors.
If you wish to study the hardware aspects of the 6522 integrated circuit (or any of the other major ICs in the machine) then you should consult the manufacturers data sheets which are included at the end of the book.
The position of the user VIA socket IC69 can be clearly seen from the photographs at the end of this chapter. It is a 40 pin device centrally positioned and normally partly covered by the keyboard. In order to gain full access it is therefore necessary for the keyboard to be removed. This procedure is described in chapter 4.
The socket for IC70 can be found 2 cm to the WEST and a little further south of IC69.
It is not necessary to remove the main PCB from the case in order to carry out this upgrade.
Now we come to the task of inserting the two IC's. The VIA (IC69) is a 40 pin device and this makes it a little difficult to install (see section 5.11 dealing with the insertion of IC into sockets). The 74LS244 (IC70) can now be fitted in exactly the same way, only this time insertion will be a little easier because this chip only has 20 pins.
As with all modifications or upgrades it is recommended till after each individual one the machine be reassembled and tested. This is somewhat laborious but it will make finding any faults which you may have introduced, much easier to rectify. If you plan to perform several modifications or upgrades at the same time, then you do not have to bolt the whole machine together and replace the lid. The machine can be tested between upgrades by simply placing the main PCB in the case and refitting the power supply leads and the keyboard.
Fitting of the Rs423 intertace provides the BBC Microcomputer with an asynchronous serial port. This serial interface is used to connect the microcomputer to other serial devices such a printers, modems, and other computers. The other computer question need not necessarily be a BBC Microcomputer but COULD in practise be any computer with either an RS423 or, in most cases, RS232 type interface.
The RS423 communications protocol is laid down in various documents produced by the Electronic Industries Association (EIA) in the U.S.A. These documents specify the various signal lines and levels which should be used in RS423 communication links. In fact there are many more lines available in a full implementation of this standard than are used in the BBC Microcomputer. The BBC machine does, however, use the five main lines of the full interface which are;
DATA IN - pin A of the RS423 socket at the rear of the machine.
This pin carries the data into the computer.DATA OUT - Pin B of the Rs423 socket at the rear of the machine.
This pin carries the data out of the computer.RTS (Request To Send) - pin E of the RS423 socket at the rear of the machine.
The RTS output signal is generated by the local device to "ask" the remote device to allow it to transmit data. If the remote device "agrees" then it will assert its CTS line to indicate "go ahead and transmit".CTS (Clear To send) - Pin D of RS423 socket at the rear of the machine.
This input line asserted by the remote device response to the RTS signal from local device.
The pin out of the RS423 socket is shown on page 504 of the user guide supplied with the BBC Microcomputer, please note that this drawing shows the pins as viewed from the rear of the machine.
1 off 88LS120 (generic part number) for IC74.
1 off DS3691 for IC75.
SK4 (see table 5.1).
Assuming that the RS423 socket, SK4, has been installed (see section 5.12 above on connectors) then proceed as follows.
The two sockets which hold IC74 and IC75 are situated directly behind the RGB and RS423 sockets at the back of the main PCB, These can easily be identified because they are the only two ICs on the board that run EAST/WEST as opposed to NORTH/SOUTH.
Since these two chips are aligned differently to all of the rest there may be difficulty in deciding which way around the should be installed. The correct way is with pin l on both IC74 and IC75 facing towards the WEST of the board.
The 88LS120 can now be inserted (pin 1 to the WEST) into the socket marked IC74 and similarly the DS3691 into the socket marked IC75. The RS423 upgrade is flow complete and ready to test.
If you do not have access to another piece of RS423 equipment with which to test the interface then it can be done as follows;
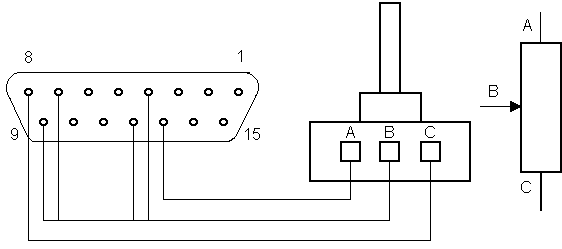
Using a suitable 5-pin "domino" plug, connect pins A and F together and also pins E and D together. Note that page 504 at the user guide shows the pin out of SK4 viewed from the rear or the machine.
The microcomputer can now be turned on and the following sequence typed at the keyboard;
*FX7,1 (RET) *FX8,1 (RET) *FX3,5 (RET) *FX2,1 (RET)
NB (RET) means hit return.
Now press the letter A on the keyboard and providing that the RS423 port is functioning correctly, the screen should continuously print "syntax error" at a slow rate. The screen will also display multiple prompts. Whilst this is happening remove the "domino" plug, which should cause the screen display to halt. The machine must now be reset by hitting the "break" key.
The test described above is fairly crude but it nevertheless quite acceptable. Basically, the test operates sending all keyboard output to both the screen and the RS423 port. The RS423 port is "looped-back" and thus all characters coming out of the port are returned back into the screen.
The analogue-to-digital converter in the BBC Microcomputer is capable of accepting four independent analogue input signals in the range 0 to 1.8 volts.
This facility can only be used when the analogue-to-digital converter (IC73) and a 74LS00 (IC77) are fitted. The analogue input facility is most often used to interface "joystick" controls to the machine.
The parts required to install the analogue interface are:
1 off PD7002C (manufactured by NEC) for IC73.
1 off 74LS00 (generic part number) for IC77.
The analogue input socket, SK6, must also be installed in order to connect the analogue signals into the machine. Table 5.1 details the type of socket required and the connectors section (5.12) above covers the installation of SK6.
The identification markings on IC73 may differ slightly from PD7002C but provided that this alphanumeric sequence is contained somewhere in the code printed on the device then it should be OK. If you are in any doubt whatsoever, specify that you require the chip for the ADC upgrade on the BBC Microcomputer when ordering.
it should be mentioned at this point that a number of improvements can be made to the analogue-to-digital circuitry of the machine and these are detailed in chapter 6. The reader may care to study that section before proceeding in order to decide if any of these modifications need to be fitted.
The top of the machine should be removed as described in chapter 4, it is not necessary to remove the keyboard. Begin by installing IC73, a 28-pin device located approximately 2 cm from the WEST edge of the main PCB immediately behind SK6, followed by IC77 which is located 2 cm SOUTH of 1C73 and 4 cm from the WEST edge. Both of these integrated circuits are installed with pin 1 facing towards to the NORTH of the main PCB. The installation of ICs into sockets is covered earlier in this section (5.11).
Once IC77 and IC73 have been correctly installed in their respective sockets then a visual check should be carried out to ensure that all of the pins are correctly located and that nothing has dropped on to the main PCB whilst the top was removed. When you are sure that all is fine then the top of the case can be replaced and the analogue interface can be tested.
Before conducting the ADC test procedure outlined below the machine, as always, should be fully assembled and checked.
The following components will be required in order to test the port for correct operation:
1 off 10 kilohm (10K) linear (preferably) or logarithmic potentiometer.
1 off 15 way miniature "D" type plug (to connect into SK6).
Please note that ohmic values higher than 10 kilohm but not lower may be used for the potentiometer.
Connect the potentiometer to the 15-way plug as shown in fig 5, below.

FIGURE 5.1 ANALOGUE PORT TEST CIRCUIT
This arrangement connects all of the analogue input channel together (pins 15,7,12 and 4) such that a variable voltage in the range 0 to 1.8 volts can be applied to each input channel simultaneously by adjusting the potentiometer.
Before inserting this plug into the analogue input socket (SK6) check that you have wired the circuit correctly. If you are sure that you have, then plug it into SK6 and switch the machine on.
To test this upgrade the following short program can now be typed in:
10 CLS 20 FOR Channel%=1 TO 4 30 Value%=ADVAL (channel%) 40 PRINT Value% 50 FOR Delay%=1 to 500: NEXT Delay% 60 NEXT Channel% 70 GOTO 20 80 END
Run the program and you should see a column of figures running down the left-hand edge of the screen. By rotating the shaft of the potentiometer you should be able to alter these figures. What you are in fact doing is simply reading each of the four analogue input channels in turn and printing its value on the screen.
In order to equip the machine with the RGB interface, all that is necessary is to install the 6-pin DIN socket (SK3). The fitting of this socket is covered in the section on connectors detailed above. Please note that the diagram on page 504 of the user guide shows SK3 viewed from the rear of the machine.
The machine provides three primary colour gun drive signals and also a line scan synchronisation pulse output on pin 4. All of these four signals are at TTL level. The socket also carries ground and 5 volt outputs.
This output is used to connect the BBC Microcomputer to a colour monitor equipped with RGB inputs as opposed to a standard PAL (Phase Alternating Line) encoded monitor or television receiver. An RGB monitor should provide a considerable improvement in picture quality Over a domestic television receiver because the microcomputer effectively drives the colour guns of the picture tube directly. The level of improvement will depend upon the resolution and bandwidth of the particular monitor.
The Acorn "Tube" is used as an additional 2 MHz expansion port. It is primarily intended to be used for adding a second microprocessor to the machine, thus adding more memory and increasing the processing power and speed of the machine.
There are three second-processor boards either presently available or due to be released shortly. These are the Z80, a 3 MHz version of the 6502 and the giant National Semiconductor 16/32 bit 16032. At the present time the most obvious choice a second processor would probably be the Z80 since this would allow the machine to use the C/PM operating system and hence vast range of additional software could be run on the machine.
The "Tube" connector (PL12) carries the data bus and lines A0 to A6 of the address bus in addition to numerous control lines ground and plus 5 volts.
All that is required in order to use the "Tube" on the BBC Microcomputer is to install the 40-way header plug PL12. This is covered in connectors, section 5.12 above.
The model A version of the BBC Microcomputer comes equipped with a total of 16k bytes of user and operating system RAM whilst the model B machine comes with 32K bytes of RAM.
It is a fairly simple exercise to install the extra 16k byte of memory into the model A machine. The following integrate circuits will be required:
8 off 4816 16k x 1 (100 nS ) Dynamic RAMs (generic part number) for ICs 61 to 68.
As stated above these RAM's have a generic part number and are manufactured by many companies the actual printing on the devices could be any of the following;
HM4816AP-3
MK4516N
MB8118 (This is an exact functional equivalent made by Fujitsu)
If you are in any doubt then, as always, specify when ordering that you require the devices for use in the BBC Microcomputer.
In practise dynamic RAM's with slower access times (120 ns) have been used and these functioned quite satisfactorily but such devices are not to be recommended.
As are most of the integrated circuits in the machine these dynamic memories are MOS devices and anti-static precautions should therefore be taken. Refer to chapter 2 for in formation on handling of MOS devices.
Sockets should already be present on the board ready to accept these devices and hence no soldering will be necessary.
Before beginning switch off and unplug your machine.
In order to install the eight memory integrated circuits the top of the machine must be removed. It will not be necessary to remove the keyboard. You should easily be able to identify whereabouts on the main PCB the memory ICs are to be installed. The sockets that are to carry the eight chips are numbered IC61 to IC68 inclusive and are situated on the EAST edge of the main PCB in 3 rows. The first row holds lCs 64 to 68, the second holds ICs 62 and 63, whilst the third holds the remaining one, IC61.
Each of the ICs can now be inserted into the sockets in turn making sure that the pin 1 end of each device faces to the NORTH of the board. Pin 1 should be identified in the normal way by the rectangular cut-out in the plastic body of the device or by a small dot adjacent to it. Be sure that you are familiar with the section dealing with the insertion of ICs (5.11). Once all of the chips have been installed then alter link S25 from its present position, which is SOUTH, to its new 32K position, which is NORTH. Link S25 is located approximately 10 cm directly NORTH of IC6 (video ULA), as shown in figure 4.1.
The upgrade is now complete but before reassembling the machine conduct the usual visual check of all the pins on the newly installed IC's and also check for pieces of wire etc, that may have been dropped inside the machine.
When you are absolutely sure that everything is correct, replace the top cover, plug the machine in and switch on. You should be greeted by "BBC Computer 32K" etc, displayed in top left hand corner of the screen.
The BBC Microcomputer has the ability to select one of the four on-board "sideways" ROM's to map into the address space &8000 to &BFFF. These four ROM's are installed in IC sockets 52, 88, 100 and 101 which are situated in the SOUTHEAST corner of the main PCB directly beneath the keyboard.
The paged ROM facility is only available in machine operating systems (MOS) from version 1.0 onwards. The MOS is capable of accessing 16 sideways ROM's numbered 0 to 15 but this requires additional hardware.
The onboard ROMs are numbered 15 to 12 EAST to WEST, respectively (ICs 101, 100, 88, 52).
Under normal circumstances the machines BASIC interpreter ROM occupies this address range but the user has the ability to alter this and select other ROM's which are installed in these sockets. Changing the ROM is normally accomplished by typing asterisk followed by the title of the desired ROM. for example:
*DISC *WORDWISE
When the machine is initially turned on, or when a "hard" break is executed the operating system, which is normally contained in the 1051 socket, checks each of the sideways ROM sock from EAST to WEST in turn. If a valid language is found in socket then the operating system "installs" that language does not bother to check the remaining sockets. The order priority is, therefore, IC101, 100, 88, 52 respectively.
If you have other ROM's fitted and you prefer the operating system to install the normal BASIC language ROM at switch on hard break, then remove the BASIC ROM from its normal position of IC52 and fit it into the IC101 socket. This will leave IC sockets 101, 88 and 52 ready to accept other sideways ROM's In order to add this upgrade to your machine the following parts will be required. Please note that issue 4 machines onwards (models A and B) have this interface fitted as standard.
1 off 74LS163 (generic part number) for IC76
In order to install this IC the top cover of the machine also the keyboard must be removed. This procedure is described in chapter 4.
The socket for IC76 is located immediately SOUTH of keyboard plug (PL3) on the main PCB. There are two links on the main PCB, which will need to be removed before the integrated circuit is installed. These links are S12 and S13, which are adjacent to the SOUTHEAST corner of the keyboard plug (PL13) They are easily identified by the printed border which surrounds them. Both of these links are soldered wire and great care is needed when removing them, otherwise you could easily damage the surrounding copper tracks.
Ideally, the main PCB should be removed from the case and both links desoldered using a de-solder pump. Chapter 2 gives information on desoldering. If you do not feel competent desoldering then it is possible, with great care and patience to cut them using a pair of very fine flush cutting wire snippers. Suitable types are RS part number 609-821 or similar.
The simplest way to cut the links is to first of all snip them in the middle and then cut away each of the two halves as close to the p013 as possible, taking great care not to damage any of the copper tracks on the PCB. Once you have cut away each link visually check that no damage has resulted and also make sure that the cut away pieces of the wire links have not dropped inside the machine.
The pin 1 end of the chip should be marked in the usual way by either a rectangular cut-out in the body of the device or perhaps by an adjacent dot. As with all of the other NORTH/SOUTH aligned IC's on the main PCB pin 1 should face towards the NORTH of the board.
Once the 74LS163 has been inserted then the sideways ROM's can be fitted in accordance with the installation instructions supplied with them. A visual check of the work carried out should be done before the keyboard is replaced followed by the top cover.
The sideways ROM upgrade is now complete and can be tested by turning the machine on and typing an asterisk followed by the title of the newly installed sideways ROM. The information supplied with the ROM will confirm this.
In addition to the "Tube" interface the machine has a general purpose slow speed extension bus. This 1 MHz extension bus interface consists of the buffered (IC71) address lines A0 to A7, the buffered (IC72) bi-directional data bus, numerous control lines and an analogue audio input.
The input connections to the 1 MHz bus (PL11) are shown on page 503 of the user manual. The circuitry of the 1 MHz bus will be described in detail in chapter 3.
In order to install the 1 MHz bus upgrade the following parts will be required:
1 off 74LS244 (generic part number) for IC71
1 off 74LS245 (generic part number) for IC72
PL11 See table 5.1.
As always make sure you machine is turned off and unplugged.
The top cover of the machine and also the keyboard will need to be removed, as described in chapter 4.
Both IC71 and IC72 are larger than the majority of 7400 series integrated circuits (20 pins) and so a little more care will be required when installing them into their sockets. The sockets for IC71 and IC72 are side by side approximately 3 cm SOUTHWEST of the video ULA IC6 (the one with the large heatsink)
Both chips should have the pin 1 end facing to the NORTH of the main PCB. The pin 1 end should be marked in the normal way either by a rectangular cut-out or by a small dot in the body adjacent to pin 1.
Once the two integrated circuits have been fitted in the usual way then a visual check should be carried out to ensure that the devices are properly inserted and that no pins are bent. The keyboard and top cover should then be replaced.
To test the port you will need to obtain a 1 MHz peripheral diagnostic device or have a dealer test out the port using the test equipment (P.E.T. or F.I.T. see chapter 1).
The full model A to model B upgrade is now complete and the further expansions which can be added to the machine will now each be described in turn. The reader should read chapter 6 (Hints Tips and Modifications) before attempting to install any of these expansions. The reason for this is that many early issue boards have faults that may need to be rectified before these expansions will function correctly. In some instances integrated circuits or even the machine itself, may be damaged it these modifications are not carried out first.
The floppy disc expansion is probably the most difficult to install because it requires that a large number of integrated circuits be fitted to the main PCB. A complete list of the parts required to implement this expansion is given below:
1 off Disc Filing System ROM (Acorn or otherwise) for IC88.
1 off P8271 Floppy Disc Controller (Intel Corp) for IC78
1 off 74L8123 (generic part number) for IC87 **
1 off 74LS10 (generic part number) for IC82
1 off 74LS00 (generic part number) for IC77 **
2 off 7438 (generic part number) for ICs 79 and 80
2 off 74LS393 (generic part number) for ICs 81 and 86
2 off 4013B (generic part number) for ICs 83 and 84
1 off 4020B (generic part number) for IC85
1 off 8 way Dual In-Line (DIL) switch i.e. RS 337-560
** See below.
Do not install the CMOS devices (ICs 83, 84 and 85) without fitting the remaining ICs. This is because CMOS chips have extremely high input impedances and any unconnected inputs to these ICs will, therefore, be free to pick up any extraneous noise. If this happens excessive power supply current can be drawn.
IC77 should already be present if your machine has the analogue upgrade installed, as will IC87 if your machine has the "Econet' interface fitted.
Please note that many distributors (W. & T.) offer the above parts as a complete kit. This is the best way to purchase the devices because the price is usually very competitive and also the purchaser is sure of obtaining the correct parts. The addresses and codes of distributors are listed at the beginning of this book.
The disc filing system (DFS) ROM can be either the official Acorn one (if obtainable separately) or one of the numerous alternative DFSs which are currently available. These are advertised in magazines such as the Acorn User and Beebug etc.
Do not install this upgrade without having read the floppy disc modifications information which is included in chapter 6. Main circuit boards prior to issue 4 will require modification due to PCB faults.
As with the various upgrades described above it is assumed that the necessary IDC connector, in this case PL8, has already been installed. If this is not the case then the reader should refer to section 5.12 above.
Having first made sure that the machine is unplugged the top cover can then be removed followed by the keyboard. See the relevant sections in chapter 4.
It may be necessary to remove the main PCB from the case in order to perform the modifications described in chapter 6 this Will depend on the extent of the work that needs to be carried out to your particular PCB. Once the modifications have been completed then the task of installing the various ICs can begin. First of all make sure that you are familiar with the anti-static precautions which are described in chapter 2.
When the pins on all of the integrated circuits have been bent inwards, as described in the section 5.11 on insertion of ICs, then begin inserting them into their respective sockets on the main PCB. The smaller integrated circuits should be installed first. Most of these lCs are in a group immediately SOUTH of the keyboard plug (PL13). The integrated circuits concerned are ICs 79 to 86 inclusive.
All of the ICs are NORTH/SOUTH facing with pin 1 facing towards the NORTH of the main PCB. Pin 1 of the ICs can be identified in the normal way either by a rectangular cut-out or by a small dot in the body adjacent to pin 1. if you find yourself in any doubt as to which is the pin 1 end of the chip then spend some time looking at the other integrated circuits on the board. All of the NORTH/SOUTH facing ICs have pin 1 facing towards the NORTH of the main PCB.
When all of the ICs in the area around the keyboard plug have been inserted then IC87 (74LS123) and IC77 (74LS00) should be installed, if not already present. The socket for IC87 is in the NORTHWEST corner of the main PCB approximately 5 cm from the NORTH and WEST edges of the PCB. IC77 is situated immediately SOUTH of IC87.
The next step is to fit IC78, the floppy disc controller. This is a 40-pin device and great care must, therefore, be exercised when fitting this component.
The DFS ROM can now be installed in the socket for IC88 unless you already have the sideways ROM upgrade fitted (IC76), in which case you may use any of the spare sockets. If IC76 is fitted then you should place the language ROM that you wish the MOS to install at power up, normally BASIC, in the socket for IC101.
As with all of the other NORTH/SOUTH facing integrated circuits on the main PCB the pin 1 end of the DFS ROM should face towards the NORTH. The same insertion technique as was used with IC78 should be used to install the 28 pin DFS ROM.
Once all of the ICs have been installed the 8-way DIL switch may need to be installed on the keyboard PCB. The instructions supplied with the floppy disc drive and also the chapter on link settings and functions should be consulted in order to determine whether this is necessary.
The holes to take this switch are already drilled in the PCB and all that is necessary is to simply insert the switch, the correct way around, through the holes provided and then to solder it into place.
The procedure for soldering the switch is much the same as for an integrated circuit socket, this is covered in some detail in chapter 2. There is one slight difference between the two operations in that excessive heat must on no account be applied. It is especially important to use the technique of soldering diagonally opposite pins in turn. In this way there should be no localised build up of heat. If a lot of heat is used then you may melt or deform the inside of the switch enclosure and thus prevent the switches from operating.
When all of the ICs and the DIL switch have been fitted then it is time to consider exactly what the required switch and main PCB link settings will need to be. Table 4.7 in chapter 4 (link settings and functions) details the links which are affected by the various upgrades. It is possible to establish, by using this table in conjunction with the descriptions of the various links, which ones will need to be altered in order to use a particular floppy disc drive. In general the most common requirement is for single-sided single-density (SSSD) 5 1/4 inch discs. The link settings for this particular configuration are given below.
Note that some of the link settings are mandatory and are the same regardless of the type of floppy disc drive to be used.
MAIN PCB LINK SETTINGS
Mandatory
S8 INSTALLED
S9 REMOVED
S18 NORTH
S19 EAST
S20 NORTH (IC76 installed)
S21 Both links EAST/WEST
S22 NORTH (IC76 installed)
S32 WEST
S33 WEST
Specific. (i.e. selects 5 1/4
inch floppy disc)
S10 WEST
S4 EAST
KEYBOARD PCB LINK SETTINGS (DIL SWITCH)
See table 4.4 in chapter 4 on link settings and functions. The links in question are links 3 and 4 and they must be set according to the type of floppy disc drive you are using.
Once all of the links have been correctly set then a thorough visual inspection of the rnain PCB and the keyboard PCB should be carried out. It is also advisable to inspect all of the newly installed ICs to check that the correct devices have been installed. Finally, before reassembling the machine, closely inspect any modification work that you may have had to carry out as a result of reading chapter 6.
When the machine has been reassembled then plug in and switch on. In the top left hand corner of the screen you should see the words
BBC computer XXK TITLE DFS
The TITLE will depend upon the source of the DES ROM.
Now type *HELP DFS (RET). A list of the available commands etc, will appear on the screen (this is certainly the case with the official Acorn DES). At this point you should switch off your machine and connect your floppy disc drive ribbon cable to the plug (PL8) marked "disc drive" on the underside of the machine. Be sure to connect this cable the correct way around, the edge of the ribbon cable which carries the red or blue stripe (this is generally the case) is to be connected to the pin 1 side of the plug. The pin 1 side of PL8 is usually marked by a small triangle printed on the underside label of the machine.
If any of the above description for connecting your floppy disk drive to the machine (or for any link settings) differs in an way From the instructions provided by the drive manufacture then the manufacturers instructions should take precedence.
It may be necessary to connect your Floppy disc drive to the auxiliary power outlet socket of the machine if the drive doe not contain a built in power supply, consult the manufacturer instructions for supplying power to the unit. The connection on the auxiliary power connector are shown below:
![]() |
1 GND 0 Volts 2 GND 0 Volts 3 +5Volts 1.25A 4 +5Volts 1.25A 5 NC 6 -5Volts 75 mA |
FIGURE 5.2 POWER SUPPLY CONNECTIONS
The machine can now be turned on, a suitable floppy disc can be inserted and the DFS used in the normal way.
This expansion would normally be undertaken by a dealer who would also install the ROM cartridge expansion at the same time. The ROM cartridge system need not be present to use the speech facility, this expansion is installed at the same time to minimise costs. je; If the two expansions were installed on separate occasions this would necessitate that the machine be dismantled twice and hence the cost would be correspondingly greater.
The cartridge ROM facility enables the user to readily insert additional vocabulary ROM'S into the machine. This feature may be used to provide additional features for games or perhaps to enable different vocabularies to be selected. The cartridge ROM may also hold programs which can be simply plugged in and run.
If you decide to install the speech expansion yourself then you rnust read the relevant part of chapter 6 before commencing work, since there are a number of circuit board modifications that must be carried out on early issue machines. If you do not carry out any necessary PCB modifications then you take the risk of damaging the integrated circuits in your machine.
At the present time both the plastic moulding, which is required to properly install the ROM cartridge expansion, and the official "Phrase ROM" (PUROM) are only available from official Acorn dealers. The dealer will normally only provide these pieces of equipment if he installs the two expansions.
it is not essential that the official PHROM (PHROM-A) be used to provide the speech vocabulary, there are a whole range of suitable alternative phrase ROMs available. Chapter 6 gives detailed information on the various phrase ROMsS which are available. The fact that you may not be able to obtain the official "Kenneth Kendal" PHROM need not, therefore, prevent you from adding this expansion.
The following parts will be required to implement the speech expansion:
1 off TNS5220 speech Processor (Texas Instruments) for IC99.
1 off TN6100 vocabulary ROM (Texas Instruments) for IC98.
Note that there are a number of vocabulary ROMs which may be used but the official "phrase ROM" (PHROM-A) which would be supplied if a dealer where to install the expansion is not yet separately available. See text.
All that is required is to install IC99 and IC98 into their respective sockets.
Before removing the top cover, switch off and unplug machine. It is not necessary to remove the keyboard PCB.
Assuming that you have made the necessary modifications to issues 1,2 and 3 main PCBs, then the two ICs can be installed into their respective sockets. The sockets for IC9 and 98 are situated adjacent to each other in the middle of the PCB close to the WEST edge. Both ICs are 28-pin devices and special care must, therefore, be exercised when inserting them. As usual the pin 1 end of each IC faces towards the NORTH of the main PCB. The chips should be inserted in exactly the same manner as described in the preceding upgrades.
Once the expansion has been installed a close visual inspection should be carried out to ensure that no pins have become bent under the body of the integrated circuits and that no foreign bodies have fallen inside the machine whilst the modification where being carried out. The top cover can be replaced and the speech expansion can be tested.
Having reassembled and switched on the machine the following program can be used to test the newly installed speech system the program will cause the full PHROM vocabulary to be "spoken":
10 FOR Word%=32 to 291 20 SOUND -l,Word%,0,0 30 NEXT Word%
The Acorn "Econet" local area network system enables up to 2' BBC Microcomputers to be linked together and to communicate with each other at high speed. The system also allows each microcomputer in the network to access a central data storage and retrieval device, the file server. The file server basically used as a large capacity fast access disc. Figure 5.3 is a simplified schematic drawing of an "Econet" system, which shows the basic interconnection details.

FIGURE 5.3 A TYPICAL ECONET NETWORK
Other devices such as printers are also normally included in the network. The basic idea of the network is to enable a large number of users to share expensive peripherals and hence minimise costs. The "Econet" system finds most use in schools and colleges where a large number of users are involved and to provide each individual user with these peripherals would otherwise be prohibitively expensive.
The "Econet" network expansion cannot be fitted by the user because of the large number of discrete components required and also the complexity of the circuitry involved. This expansion should only be installed by an official Acorn dealer. In the case of early issue boards the dealer may in fact replace your main PCB for a new one, with an "Econet" system already fitted. This is simply because of the time it takes to install the large number of additional discrete components that these early issue main PCB's will require.
In a normal "Econet" network a system clock, a file server and two termination boxes will be required. On main PCBs up to issue 3 there are component positions available on the PCB to allow the microcomputer to generate the network clock signal.
There are also component positions provided to allow a termination network to be included within the machine. These component positions are not present on boards from issue 4 onwards.
A circuit which is suitable for providing the network clock and the termination network is shown in fig 5.4 below.

FIGURE 5.4 ECONET CLOCK CIRCUIT
As already described at the beginning of chapter 4 (Link settings and functions) one of the original concepts behind the BBC Microcomputer was that it should be expandable. To this end the machine was provided with the 1 MHz bus expansion port, the user port and the "Tube". The "Tube" is the most versatile of the three parallel ports. It is fundamentally a very fast (2 MHz) totally asynchronous parallel interface; see section 5.18 above for a more detailed description of the "Tube".
All communications between the second processor boards and the BBC Microcomputer will take place via the "Tube". In this mode at operation the microcomputer is simply acting as a "host" for the second processor whilst the second processor becomes a "parasite" to the microcomputer. In reality this means that the BBC Microcomputer would be acting as an intelligent input/output (I/o) terminal (a very intelligent I/O terminal in fact) whilst the second processor board is performing the "complex" computation.
At the present time there are two second processor boards available these are a 6502B board and a Z80 board. Both are available from Acorn. A Z80 board is also available from other manufacturers.
Acorn are planning to produce a third processor board which will be based on a version of the very powerful National semiconductor 16032 microprocessor.
This second processor board uses the same microprocessor as the BBC Microcomputer itself only, it is running at 3 MHz as opposed to 2 MHz. This obviously makes it faster than the microprocessor inside the standard microcomputer. This second processor board also contains 64 kilobytes of RAM.
When the second processor board is added to the existing machine the default language will be transferred, via the "Tube", from the "host" BBC Microcomputer to the "parasite" second processor RAM. All of the processing for the language will be performed by the second processor whilst the BBC Microcomputer itself acts only as a "host". The "host" microcomputer in effect becomes the slave of the second processor and is left to perform the more mundane tasks such as handling data from the keyboard and the RS423 port as well as the sound generator and the screen output.
The "host" BBC Microcomputer transfers the necessary data to the second processor through the "Tube" and the second processor responds when ready by transferring data back to the "host".
By using the 6502B second processor most programs should execute at approximately twice their normal speed. This increase in speed is due both to the additional speed of the second processor and also to the more efficient use of the system as a whole. The increase in efficiency is primarily due to the fact that the second processor is allowed to get on almost solely with the task of processing. The host 6502A Is left to handle all of the interrupts which are generated within the host machine. These interrupts would otherwise severely slow down the task of processing data, as is the case in the standard machine.
Thus the result to the user of a machine with a second processor addition is more available memory and faster program execution. In essence the machine should appear as normal with the MOS still remaining in the memory map of the "host" machine and approximately 48K of extra RAM being available on board the second processor.
The Z80 second processor offers much the same facilities as the 6502B processor board but, of course, the microprocessor is a Z80 rather than a second 6502.
The Z80 microprocessor has a different architecture and instruction set to the 6502 and, therefore, the normal BBC Microcomputer software will not run on this second processor. The C/PM (Control Program for Microprocessors) operating can be supplied with the Z80 board. This operating system probably has more software available than any other operating system of its type. The range of programs that run under the c/PM operating system is very considerable, from business packages through to scientific applications and numerous languages including a range of assemblers for most currently available microprocessors.
Unfortunately not all of this available software can, at the moment, be run on the BBC machine because of incompatibilities in floppy disc formats. As more Z80 second processor systems are sold this situation will undoubtedly be remedied.
This second processor is different from the other two because it is a 16 bit (32 bit internal architecture) device as opposed to 8 bits. It is a generation beyond the two 8-bit second processors. The instruction set that it supports, together with its advanced internal structure makes it an extremely powerful device. A BBC Microcomputer together with this second processor and extra peripheral equipment, such as 'Winchester" discs, would have the computing power of some of the currently available top of the range minicomputers.
At the present time there is little information available on the range of software or the operating Systems that will be offered with this processor but it is anticipated that the UNIX operating system will probably be one of the main contenders.
Installation and connection details will be supplied by the manufacturer when a second processor is purchased.
KEYBOARD
CASE FIXINGS AND SOCKETS
COMPUTER LAYOUT
MAIN CIRCUIT BOARD